Elektronický digitální modul pro řízení uzavřených regulačních smyček - PID
Výrobce: Parker
Katalogové číslo: PID00A-400
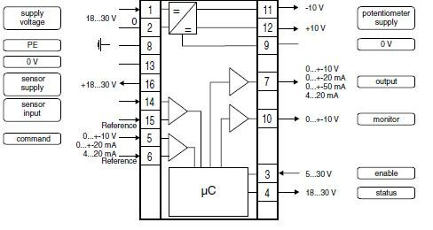
Elektronický digitální modul pro řízení uzavřených regulačních smyček obsahující PID rozšířené řídící prvky montáž na lištu EN 50022, komunikační rozhraní RS-232C
Dostupnost: 10 dnů
Dotaz na produkt
Podrobné informace
Z-kód: Z008614
Elektronický digitální modul pro řízení uzavřených regulačních smyček obsahující PID rozšířené řídící prvky montáž na lištu EN 50022, komunikační rozhraní RS-232C